Puente de Diodos (Bridge Rectifier)
Introducción y Funcionamiento:
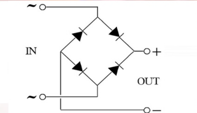
¿Qué es un Puente de Diodos?
Un puente de diodos, también conocido como bridge rectifier, es un circuito que utiliza cuatro diodos conectados en una configuración específica para convertir una corriente alterna (AC) en corriente continua pulsante (DC). Es un componente esencial en muchas fuentes de alimentación y sistemas electrónicos.
Este circuito aprovecha las propiedades de los diodos (permiten el paso de corriente en una sola dirección) para rectificar la señal alterna.
Partes Principales del Puente de Diodos
Cuatro diodos:
Generalmente se utilizan diodos de propósito general, como el 1N4007, capaces de manejar las corrientes y tensiones requeridas en el circuito.
Entrada de corriente alterna (AC):
Se conecta la fuente de alimentación alterna, que puede ser un transformador o directamente la red eléctrica (con las debidas precauciones).
|
|
.




|
3. Salida de corriente continua (DC): El puente produce una salida en DC pulsante que puede ser filtrada posteriormente.
Funcionamiento del Puente de Diodos. Ciclo positivo de la corriente alterna:
Durante el medio ciclo positivo de la señal de entrada: Dos diodos conducen (D1 y D3 en un puente típico). Los otros dos diodos están en polarización inversa (no conducen). La corriente fluye hacia la carga en una dirección. Ciclo negativo de la corriente alterna: Durante el medio ciclo negativo: Los otros dos diodos conducen (D2 y D4). La corriente fluye en la misma dirección hacia la carga, gracias a la configuración del puente Resultado: En ambos ciclos (positivo y negativo), la corriente en la carga siempre fluye en la misma dirección, convirtiendo la entrada AC en una señal DC pulsante.
|