Aqui tenemos el circuito original de Protecciòn o Fusible Electrònico que hemos montado y probado.
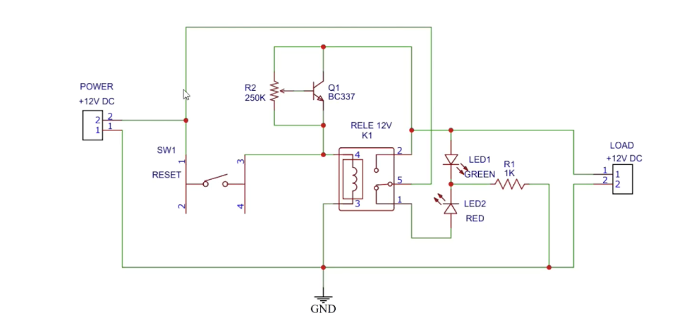
Analizemos el diagrama esquemático.
Identificaremos los componentes y su ubicación:
Este diagrama muestra un sistema de control que energiza o desenergiza una carga de 12 V mediante un relé y un transistor (Q1). Además, cuenta con dos LEDs indicadores (rojo y verde) y un interruptor de “reset” (SW1).
Alimentación (POWER +12 V DC)
Se conecta la fuente de 12 V DC que alimentará tanto la bobina del relé (K1) como la carga final.
Transistor Q1 (BC337) y Resistencia R2 (250 kΩ)
El transistor funciona como “puerta” electrónica.
Cuando recibe la corriente adecuada por la base (controlada en parte por R2), el transistor se satura y permite que circule corriente por la bobina del relé.
La resistencia R2 es bastante alta, lo que limita la corriente de base y puede influir en un posible modo de auto-retención o en la forma en que se activa/desactiva el relé.
Relé de 12 V (K1)
Al energizarse la bobina, sus contactos internos conmutan, conectando la salida (LOAD) a los 12 V.
Una vez activado, el relé mantiene alimentada la carga hasta que el transistor deje de conducir.
Interruptor SW1 (RESET)
Permite “romper” la alimentación de la base o la señal de control, de modo que se desenergice el relé y se apague la carga.
Funciona como un “reinicio” manual: al accionarlo, el transistor deja de conducir y el relé vuelve a estado abierto.
Indicadores LED (LED1 verde y LED2 rojo)
Comparten la resistencia R1 (1 kΩ).
Se enciende uno u otro según la polaridad o el estado de conmutación, indicando si el relé (y por tanto la carga) está energizado (verde) o desenergizado (rojo).
Carga (LOAD +12 V DC)
Cuando el relé está activado, la carga recibe los 12 V desde la fuente.
Al desactivarse el relé (por el interruptor RESET o por corte de la base del transistor), la carga deja de recibir energía.
En conjunto, este circuito permite controlar el
encendido/apagado de una carga de 12 V DC a través de un relé.
Accionado por un transistor, con un interruptor de “reset” para reiniciarlo manualmente y dos LEDs que señalan el estado (activo/inactivo).
Aunque no incorpora un sistema dedicado de protección contra cortocircuitos (como detección de sobrecorriente), el relé y el interruptor de “reset” pueden en muchos casos ayudar a desconectar la carga rápidamente si se detecta algún problema.

